Silver Series Lawnmower
Product Information
- Model #: 10356
- Serial #: 230000001 - 230999999
- Product Type: Walk Behind Mowers
Loading...
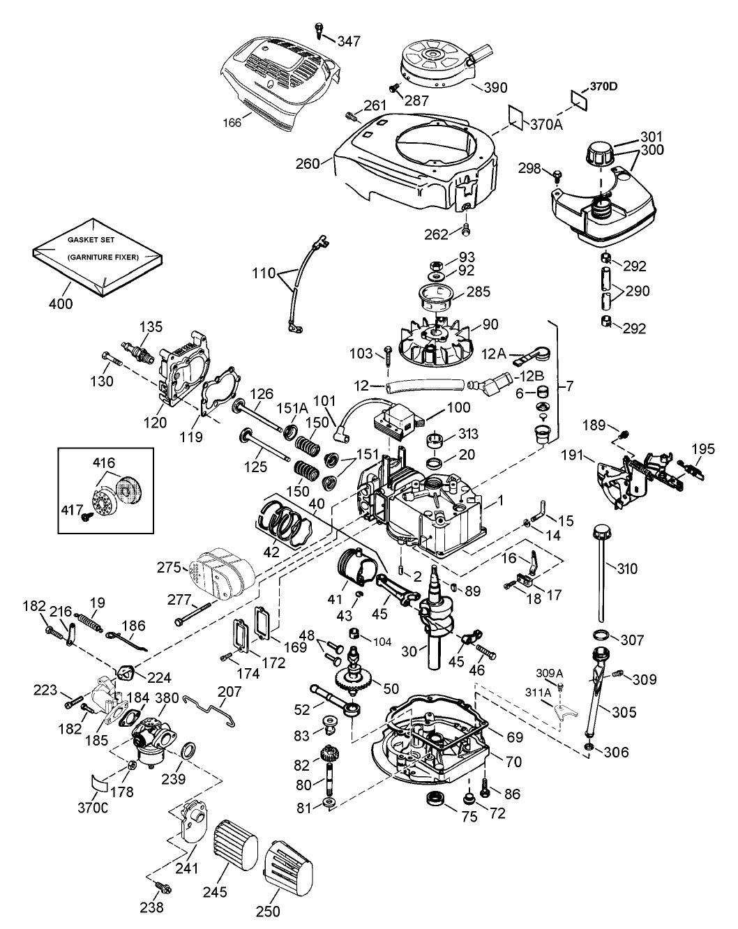
Assembly Drawings
Search for a part within assembly drawings:
-
Service Manual
-
Operator's Manual
-
Model #: 100-6361
Replacement Rear Bag -
Model #: 215326
Lawn-Boy Walk Mower Cover -
Model #: 490-7463
Plain Walk Mower Cover -
Model #: 89812
SD Cover Plate -
Model #: 89816
Replacement Side Bag -
Model #: 89817
Side Bag Kit -
Model #: 89860
Leaf Shredder -
Model #: 89864
Mulch Plate -
Model #: 89906
Rear Bag Kit -
Model #: 95-3282
Mower Washout Port Kit (STD on 38" Mower)
-
Model #
10356 -
Serial #
230000001 - 230999999 -
Product Name
Silver Series Lawnmower -
Product Brand
Lawnboy -
Product Type
Walk Behind Mowers -
Product Series
21" Steel Deck -
Chassis Type
Steel Deck WPM -
Swath
21 inch -
Discharge
Mulcher -
Engine/Motor Manufacturer
Tecumseh -
Engine/Motor Size
6.5 hp -
Engine/Motor Type
4 Cycle CARB2, EPA2 -
Engine Starter
Recoil -
Transmission Type
Gear
-
Chassis: Height of Cut Range
1-3.5"; 1/2" increments -
Drive System: Gearbox Lubricant
3 oz. (85gm) #2 Lithium grease -
Drive System: Ground Speed
2.6 mph -
Engine: Engine Oil Type
20 oz. (.6l) 30w or 10w-30 / API SH or higher -
Engine: Engine Speed
3000±150 RPM -
Engine: Ignition Coil Air Gap
.012" / .3mm -
Engine: Spark Plug
Champion RJ19LM -
Engine: Spark Plug Gap
.030"/ .76mm









