Silver Series Lawnmower
Product Information
- Model #: 10330
- Serial #: 8900001 - 8999999
- Product Type: Walk Behind Mowers
Loading...
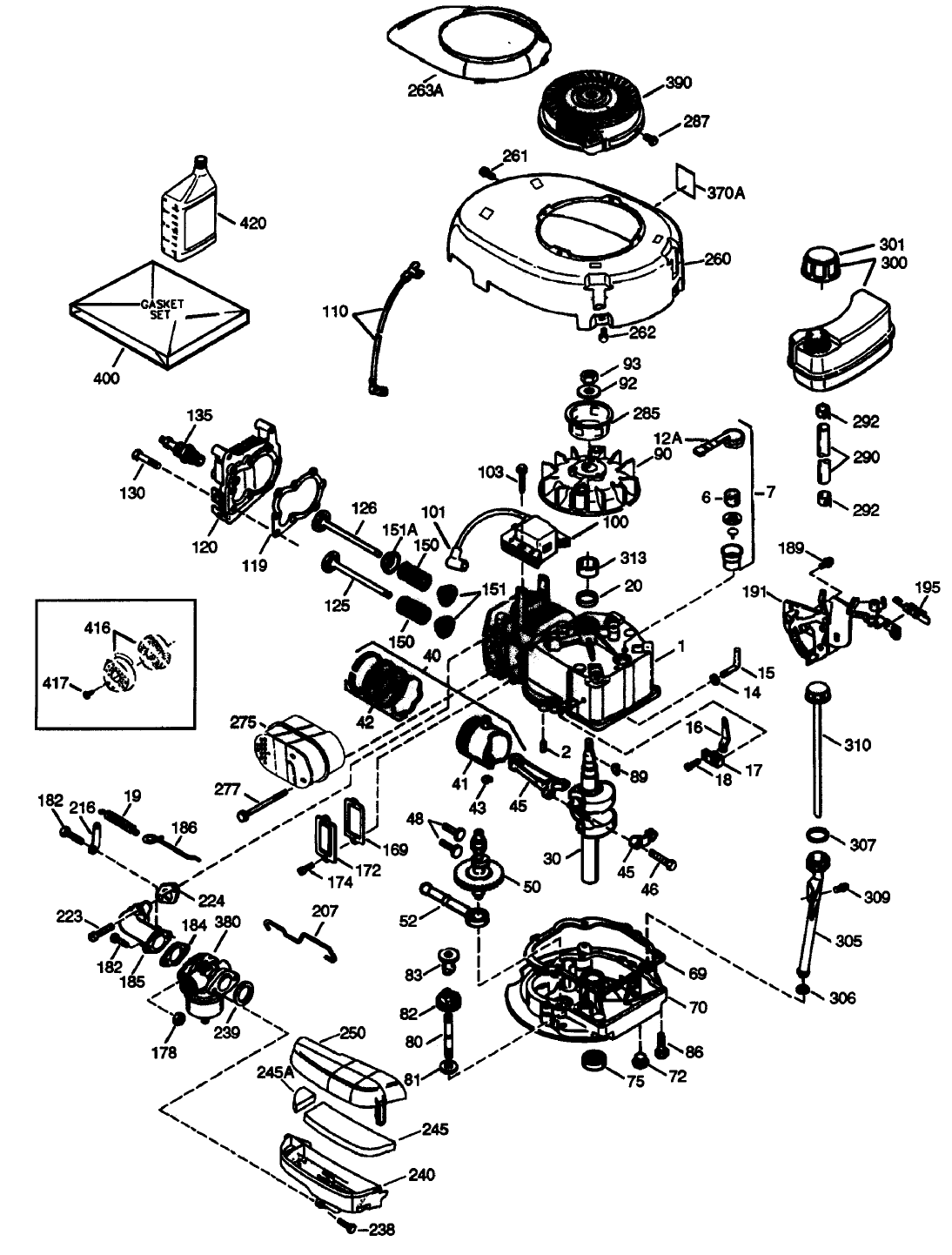
Assembly Drawings
Search for a part within assembly drawings:
-
Service Manual
-
Operator's Manual
-
Model #: 52070
Mow & Feed -
Model #: 89800
Rear Bag Chute Kit -
Model #: 89801
21-Inch Rear Grass Catcher -
Model #: 89811
Leaf Bag Kit -
Model #: 89812
SD Cover Plate -
Model #: 89814
Grass Catcher -
Model #: 89816
Replacement Side Bag -
Model #: 89860
Leaf Shredder -
Model #: 89864
Mulch Plate -
Model #: 95-3282
Mower Washout Port Kit (STD on 38" Mower)
-
Model #
10330 -
Serial #
8900001 - 8999999 -
Product Name
Silver Series Lawnmower -
Product Brand
Lawnboy -
Product Type
Walk Behind Mowers -
Product Series
21" Steel Deck -
Chassis Type
Steel Deck WPM -
Swath
21 inch -
Discharge
Side -
Engine/Motor Manufacturer
Tecumseh -
Engine/Motor Size
4.5 hp -
Engine/Motor Type
4 Cycle CARB1, EPA1 -
Engine Starter
Recoil -
Transmission Type
Gear
-
Drive System: Gearbox Lubricant
3 oz. (92gm) #2 Lithium grease -
Chassis: Height of Cut Range
1-3.5"; 1/2" increments -
Drive System: Ground Speed
2.6 mph -
Engine: Engine Oil Type
20 oz. (.6l) 30w or 10w-30 / API SH or higher -
Engine: Engine Speed
3000±150 RPM -
Engine: Ignition Coil Air Gap
.013" / .33mm -
Engine: Spark Plug
Champion RJ19LM -
Engine: Spark Plug Gap
.030"/ .76mm









